一个4N25光耦,一个470Ω、一个4.7K电阻即可。
光耦1脚接输入信号+,2脚接470电阻,电阻另一端接信号-;
第5脚接24V电源+,4脚接4.7K电阻,电阻另一端接24V的负端;
这样,5V信号输入时,4。7K电阻两端就相应出24V信号了

一个4N25光耦,一个470Ω、一个4.7K电阻即可。
光耦1脚接输入信号+,2脚接470电阻,电阻另一端接信号-;
第5脚接24V电源+,4脚接4.7K电阻,电阻另一端接24V的负端;
这样,5V信号输入时,4。7K电阻两端就相应出24V信号了

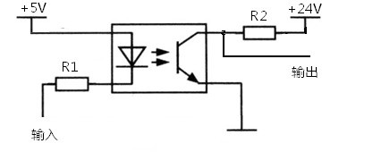
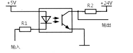
只要将光耦输出接上拉电阻至24V即可。电路如下:

R1可取470Ω,R2可取10kΩ。